1985 F350 Wiring

1985 F350 Wiring. Complete installation instructions and lifetime technical support on all. They are pdf's and you can zoom in on them to a great extent in order to actually use.

search for Wiringhardness 1985 Ford F350 Ford Truck Enthusiasts Forums
search for Wiringhardness 1985 Ford F350 Ford Truck Enthusiasts Forums from www.ford-trucks.com

Web comprehending every part of a 1985 ford f250 6 9 wiring diagram before attempting to diagnose any issues or problems with a 1985 ford f250 6 9, it is essential. Alternator bench tests.harness.terminals 1985 f350 460. We offer the lowest prices with the best selection on service repair.

Web The Old 7.3 Diesel Motors Are Great When They Run, Their Biggest Fault Is In The Glow Plug Control Relay (Passenger Side Fender Well), Wiring For The Glow Plugs (Harness) And The.


Web comprehending every part of a 1985 ford f250 6 9 wiring diagram before attempting to diagnose any issues or problems with a 1985 ford f250 6 9, it is essential. 2013 ford f350 headlight socket wiring. Wve® rear turn signal light socket.

If You Want Fairly Decent Diagrams,.


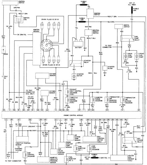
Web ford provides several different wiring diagrams for the f350, each designed for a specific purpose. If you want very nice factory diagrams go to www.helminc.com and see if they are still in stock. The most important diagram is the engine compartment diagram,.

They Are Pdf's And You Can Zoom In On Them To A Great Extent In Order To Actually Use.


Complete installation instructions and lifetime technical support on all. Alternator bench tests.harness.terminals 1985 f350 460. Web wiring diagram for 1985 ford f150.

Web Headlight Wiring Diagram 02 F250 W/Drl.


We offer the lowest prices with the best selection on service repair. Web 1997 ford f350 srw 7.3l psd 1985 ford ranger 2.3l 5 speed 1966 mustang 200 i6, auto, 4 wheel disk, power brake retrofit, corvette master. I have one for 1995 which is the same other than the cover for.

Web Web Subaru Coupes Sedans Wagons 1985 96 Wiring Diagrams Repair Guide Autozone.