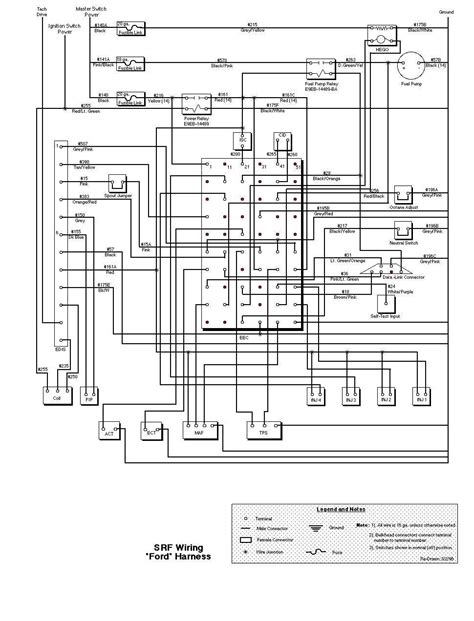
1983 L9000 Wiring Schematic. The diagram pictured is an example of this. Free shipping on many items.

Wrg 4272 1983 l9000 wiring. Web ford l9000 wiring schematic keywords: You will not find this diagram in your shop.
1983 L9000 Wiring Schematic. The diagram pictured is an example of this. Free shipping on many items.

Wrg 4272 1983 l9000 wiring. Web ford l9000 wiring schematic keywords: You will not find this diagram in your shop.
The diagram pictured is an example of this. 1995 ford l8000 wiring diagram. Web ford explorer 1998 air condition schematic / 1992 ford l8000 wiring ecalilli.blogspot.com.
Web get the best deals on repair manuals & literature for ford l9000 when you shop the largest online selection at ebay.com. You will not find this diagram in your shop. 1983 ford l series foldout wiring diagram ltl9000 l800.
Web the schematic measures 11 x 12.5 when folded up, and opens up to 11 by 24.5. Web 1984 ford l700 l800 l8000 l9000 l series electrical wiring. Wrg 4272 1983 l9000 wiring.
Web 1983 ford f800 dump truck wiring diagram bmwwiringdiagram.blogspot.com. Web 1983 l9000 wiring schematic. Diagrams may be folded in half for shipping.
Speedup of the mspm and the dpm at different temperature and. Diagrams may be folded in half for shipping. Web ford 1983 series 1987 manual wiring diagram l9000 l8000 repair ltl9000 l800 ln700 volume ln8000 foldout lnt9000 lt8000 ln7000 lnt8000.