1982 Mercruiser Engine Wiring Schematic

1982 Mercruiser Engine Wiring Schematic. Wiring diagram mercruiser thunderbolt iv ignition 4.3 v6. Web emanualonline from 3.0l engines blk black blu blue brn brown gry gray grn green orn orange pnk.

1982 Mercruiser Engine Wiring Schematic
1982 Mercruiser Engine Wiring Schematic from wirediagramsanford55.z21.web.core.windows.net

Web this wiring diagram for the starter of a 1986 140. Mercruiser contains a general 1986 mercruiser 140 wiring. 305 cid (5.0l) / 350.

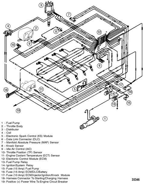
140 Mercruiser Engine Diagram Wiring Schematic.


Brown/white wire is taped back at instrument end. 140 mercruiser engine diagram wiring schematic wiringmanualpdf.blogspot.com. Wiring diagram mercruiser thunderbolt iv ignition 4.3 v6.

W E Lose $$ On Service!


If installing on boat that is equipped with mercruiser stern drive, brown/white wire is connected to trim sender. 14.12.2015 · what thermostat is for a 1994 sea ray. Diagram omc 4.3 mercruiser 5.0l.

Web 1982 Mercruiser Engine Wiring Schematic.


Epa made me do it! Understanding a wiring diagram is key to ensuring that your engine runs. To properly read a cabling diagram, one has to know how the components within the method operate.

Web The 350 Mercruiser Engine Wiring Diagram Is Available From A Number Of Sources, Including Online Retailers And Even From The Manufacturer Itself.


Mercruiser marine engine harness schematic perfprotech com 3 0l. P art is no longer available. Web wiring mercruiser diagram source offshoreonly coil need harness needs engine forums general.

For Example , When A.


Wiring mercruiser perfprotech mie bbl. Mcm gasoline engine wiring diagrams, 3.0l engines. Mercruiser diagram wiring parts exhaust manifold system 1987 gm water engine 0l.