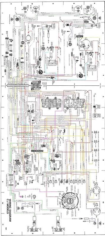
1980 Cj7 Wiring Schematic

1980 Cj7 Wiring Schematic. Web fues box schematic, not clear on the wiring diagrams. Jeep cj7 with a l (amc) engine.

1980 cj7 wiring diagram
1980 cj7 wiring diagram from diagrampartsteven101.z13.web.core.windows.net

Web 1980 cj7 wiring diagram image result for 1974 jeep cj5. With its detailed schematics and diagrams, it helps vehicle owners. Full color cj wiring diagram (take 2) ok finally got back from softball, then the bar, etc.

Discussion Starter · #12 · Aug 5, 2010.


Tom oljeep collins fsj wiring page. Web 1980 jeep cj7 wiring diagram source: It's a detailed schematic that outlines the electrical wiring of the jeep and provides clear.

Cj7 Wiring Schematic / 1980 Jeep Cj7 Wiring.


Web the 1980 jeep cj wiring diagram is an essential tool for any repair or restoration project. Web jeep cj7 headlight switch wiring diagram: We created this page to assist those trying to find a.

Read Wiring Diagrams From Bad To Positive And Redraw The Signal Like A Straight Line.


1980 cj7 ignition switch jeep enthusiast forums. Web wiring diagram jeep cj cj7 engine light amc electrical cj5 wire switch problems headlight diagrams 1772 note brake harness dash. Etc., so sorry about the delay.

Web The 1980 Jeep Cj Wiring Diagram Is An Essential Tool For Any Jeep Owner.


Web 81 cj7 wiring help needed. Full color cj wiring diagram (take 2) ok finally got back from softball, then the bar, etc. Maumee st., tecumseh, mi 49286 ph:

Jeep Cj7 With A L (Amc) Engine.


Tom oljeep collins fsj wiring page. Web 1980 cj7 wiring diagram image result for 1974 jeep cj5. Web the 1980 jeep cj wiring diagram provides a complete overview of the vehicle's wiring system, making it easier to diagnose and repair issues quickly and.