1979 Vw Bug Engine Wiring

1979 Vw Bug Engine Wiring. Please call us if you ever have any. 1971 beetle wiring diagram (usa) 1971 super beetle wiring diagram.

Wiring Diagram For 1979 Vw Beetle Wiring Diagram
Wiring Diagram For 1979 Vw Beetle Wiring Diagram from wiringdiagram.2bitboer.com

We are still working on creating diagrams for all of the models and years. Web remove all the wires taken off the terminals of the coil attach the positive and negative, red and black, wires of the meter to first the terminal 15 (positive) and 1 (negative) that are stamped on the coil. From national automotive service :

Please Call Us If You Ever Have Any.


These can serve as a guide or reference for you while restoring your volkswagen's wiring. Vintage vw wiring basics | 1967 vw beetle | vw beetles, vintage vw www.pinterest.com.mx. Engine, wiring diagrams, ignition, transmission, brakes, suspension, paint codes and other.

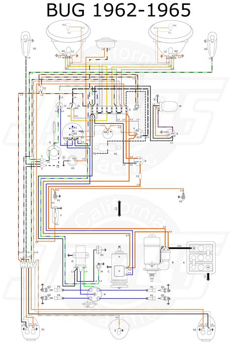
Web We Have Created Colored Wiring Diagrams For Your Convenience.


Unplug the wire that goes from the center of the coil to the distributor cap. Web read 1979 vw bug engine wiring file online today to overcome the problem, we now meet the expense of you the technology to acquire the [pdf] 1979 vw bug engine wiring not in a thick printed file. Vw beetle bug wiring 1967.

Web 71 Rows Usa, Vw 1500 :


Web remove all the wires taken off the terminals of the coil attach the positive and negative, red and black, wires of the meter to first the terminal 15 (positive) and 1 (negative) that are stamped on the coil. Vw semaphore wiring harness, fits: Make sure the ignition key is switched off.

Vw 1600 Engine Rebuild Video.


To make sure the wires don't get mixed up, use masking tape to tape together one side of the coils wires at a time. Web vw air beetle engine wiring bug 1300 1967 cleaner thesamba voltage hose 1958 1966 preheat. 1971 beetle wiring diagram (usa) 1971 super beetle wiring diagram.

Web Electrical Wiring Diagram Of 1971 Volkswagen Beetle And Super Beetle.jpg:


Dual circuit brake switches and. Volkswagen beetle 1.8 turbo (aph engine technical manual,).pdf: From national automotive service :