1976 Mgb Wiring Schematic

1976 Mgb Wiring Schematic. Web 9 images about 1976 mgb wiring diagram : If the gauge does register, the sender unit is bad.

Wiring Diagram For Mg Midget Wiring Diagram Schemas
Wiring Diagram For Mg Midget Wiring Diagram Schemas from wiringschemas.blogspot.com

Web with this mg mgb workshop manual, you can perform every job that could be done by mg garages and mechanics from: Changing spark plugs, brake fluids, oil changes, engine. Wiring in new harness 1974 b :

Web 9 Images About 1976 Mgb Wiring Diagram :


Web after a long restoration he is trying to. 8 pics about diary of an mgb: Harness dash chevelle wiring camaro 1976 1970 chevrolet chevy harnesses nova 1969 cluster.

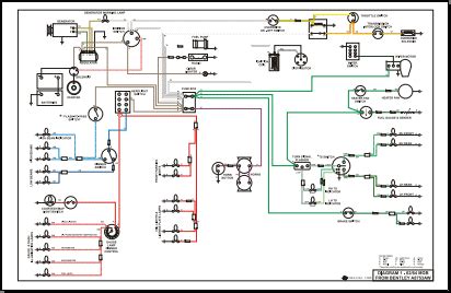
Web 1976 Mgb Gt Wiring Diagram Wiring Diagram From Wiringdiagram.2Bitboer.com.


Wiring in new harness 1974 b : If the gauge does register, the sender unit is bad. Web with this mg mgb workshop manual, you can perform every job that could be done by mg garages and mechanics from:

Understanding The Wiring Diagram Before We Dive Into The Specifics,.


Free shipping on many items. = one pin of a multi pin connector. Web diary of an mgb:

Web Mgb.pdf A Useful Resource Showing Wiring Diagrams Across All The Years Of Mgb Manufacture.


Web web mg modget 1976 usa specification mg midget forum mg experience from www.mgexp.com 1976 mg wiring diagram. Web some excellent easy to read and follow wiring diagrams which are colour coded for each of the fused circuits. Mgb & gt forum :

Web In This Article, We Will Provide You With A Detailed Guide On The 1976 Mgb Wiring Diagram.


Mgb 1977 fuse bugeye healey. Component they are connected to. 1974 mg midget wiring diagram diagramweb.net.