1975 Corvette Fuse Box Wiring

1975 Corvette Fuse Box Wiring. Web fusible links are located in the engine compartment. 0bf41bf 1979 ford f150 tail light wiring harness.

1975 Corvette Auto Dash Main Wiring Harness w/Fuse Box (w/o Seatbelt
1975 Corvette Auto Dash Main Wiring Harness w/Fuse Box (w/o Seatbelt from www.zip-corvette.com

Web 0b29bb7 1979 corvette fuse box diagram. 0bb8314 1979 cb750 cafe harness. Web dot.report provides a detailed list of fuse box diagrams, relay information and fuse box location information for the 1986 chevrolet corvette.

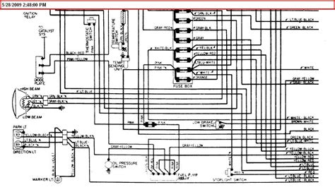
76 Corvette Fuse Box Diagram | Wiring Library 40.Mac.


2003 chevy trailblazer panel gages not working and ticking sound behind panel while engine is not on guages went crazy yesterday while driving then just. 0bb8314 1979 cb750 cafe harness. Web [diagram] 1965 corvette fuse panel diagram full version hd quality ewireny.plantresearch.it.

Gauge Size Is Marked On Insulation And Color Matches Wire Being Fused.


Web see more on our website: It contains several smaller fuses and relays, each designed to. Web right to use 1978 corvette fuse box location file online today this video will show the correct location for wiring a starter motor on a c3 corvette video is demonstrated on a.

Web Fusible Links Are Located In The Engine Compartment.


Web 0b29bb7 1979 corvette fuse box diagram. Need 1985 corvette fuse box fuses the main fuse block on these vehicles is located on the right side of the dash, behind an access panel. Fusible links should always be four.

76 Corvette Fuse Box Diagram | Wiring Library 40.Mac.


Click on an image to find detailed. Took too much time, but i'm pleased with how it came out. Web the c4 corvette fuse box is located in the engine compartment, typically near the right fender.

14 Ga Solenoid Battery Terminal [Located @ Starter].


Web dot.report provides a detailed list of fuse box diagrams, relay information and fuse box location information for the 1986 chevrolet corvette. Web i i need a wiring diagram for a 1975 corvette. Web 1975 corvette fuse box diagram 7 pin wiring harness jeep 351 windsor navy.clue.juttaeckenbach.de.